
一、概述
本系列变送器是以AT89C52单片机为核心,采用***新算法,能同时实现交流电路的频率及功率因数的准确测量。在国内******产品中处******水平。
二、产品名称及型号
功率因数变送器 YWD-COSΦ
频率、功率因数组合变送器 YWD-FCOSΦ:
三、执行标准
GB/T13850-1998标准
四、主要技术指标
a) 精度等级:0.2级,0.5级;
b) 输入、输出、辅助电源及测量量程参数:
|
Vn:
输入电压 |
V1:
100V |
V2:
220V |
V3:
270V |
V4:
380V |
V5:
用户自定 |
|
An:
输入电流 |
A1:
1A |
A2:
5A |
A3:
6A |
A4:
用户自定 |
|
Pn:
辅助电源 |
P0:
无源 |
P1:
AC110V±15% |
P2:
AC220V±15% |
P3:
用户自定 |
|
Fn:
频率量程 |
F1:
45~55Hz |
F2:
48~52Hz |
F3
40~60Hz |
F4:
用户自定 |
|
Cn:
功率因数量程 |
C1:
0(C)~1~0(L) |
C2:
0.5(C)~1~0.5(L) |
C3:
0~1 |
|
On
输出规格 |
O1
4~20mA |
O2
4~12~20mA |
O3
0~5V |
O4
0~±5V |
O5
用户自定 |
| |
|
|
|
|
|
|
|
|
|
|
|
|
|
|
c) 功 耗:≤1W;
d) 过载输入:电流:2倍连续,30倍15秒,100倍1秒;
电压:2倍连续;
e) 吸收功耗:电压回路:<0.22VA/220V
电流回路:<0.1 VA/5A
f) 响应时间:≤400ms;
g) 负载能力:电流输出:≤650Ω,电压输出:≥2kΩ;
h) 工频耐压:输入/输出/辅助电源/外壳间:AC2000V/min·1mA;
i) 绝缘强度:≥100MΩ;
j) 工作环境:温度:-10~50℃,湿度:10~98%(无凝露);
k) 贮藏条件:温度:-40~70℃,湿度:10~99%(无凝露);
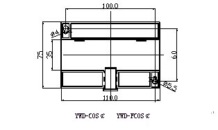
l) 外型尺寸: 110 mm×75 mm×120mm
五、接线图
注:Uin、Lin均为同相相电压、相电流。
六、安装方式
采用DIN导轨和螺钉两种安装方式,导轨宽35mm。螺钉大小为M4×12。
七、订货须知
签定订货合同时应详细写明所需的型号、规格,对所选的型号、规格按下列格式将代号填入,特殊规格用文字说明。
例1:YWD-COSΦ-V3-A3-P2-C2-O2
YWD-COSΦ功率因数变送器
输 入:270V 6A
辅助电源:AC 220V±15%
量 程:0.5(C)~1~0.5(L)
输出规格:DC 4~12~20mA
例2:YWD-FCOSΦ-V1-A2-P2-F1-C3-O1
YWD-FCOSΦ频率、功率因数组合变送器
输 入:100V 5A
辅助电源:AC 220V±15%
量 程:45Hz~55Hz 功率因数:0~1
输出规格:DC 4~20mA
八、安装尺寸(底部视图)
|